熱(re)門資訊
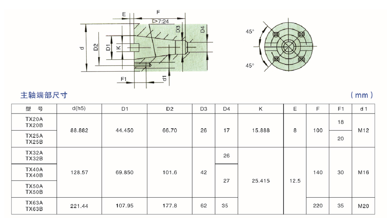
TX系列銑削頭
TX系列銑(xǐ)削頭可與比其大(da)一規格的HY系列液(ye)壓滑台、HJ系列機械(xiè)滑💚台或其它銑削(xuē)工作台配套使用(yong),組成💛組合機床,完(wán)成㊙️銑削平面,銑槽(cao)等工序。


CONTACT INFORMATION
關于我們
保定市潍坊鼎高模具制造有限公司海南分公司(原(yuán)潍坊鼎高模具制造有限公司海南分公司)是一家集數控機(ji)床、重型機床、專用(yong)機床、組合機床、柔(rou)性智能生産線、研(yán)發、生産、銷售于服(fú)務爲一體的企業(ye)。
版權所有◎2021 保定(dìng)市潍坊鼎高模具制造有限公司海南分公司 京ICP證000000号
