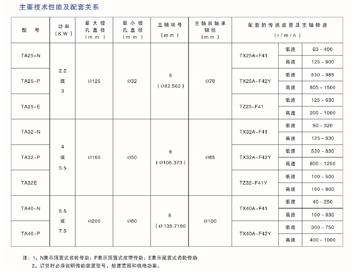
本系列(lie)镗削頭(tóu)與相同(tóng)規格的(de)液壓滑(hua)台或機(jī)械滑💞台(tái)相配套(tao)組⛹🏻♀️成镗(táng)削組合(he)機床,用(yòng)以完成(chéng)對鑄鐵(tie),鋼及有(yǒu)色金屬(shǔ)工件的(de)儋州剛(gang)性粗、精(jīng)镗孔加(jiā)工。最高(gao)镗孔精(jīng)度IT7,被加(jiā)工表面(mian)的最佳(jiā)表面粗(cū)✔️糙度可(kě)達1.6。特🔞殊(shu)訂貨可(kě)實現手(shou)動🚶變速(su)。

